Екі сілтеме бойынша туристік шектеу Микро қосқыш болып табылады, бұл автоматты басқару компоненті механикалық қозғалыс арқылы іске қосылады. Оның негізгі функциясы - бұл тіректердің ашылуы мен жабылуына, жабдықтың басталуына және жабылуына, жабдықтың басталуына және жабылуына немесе шектеулі қорғауға қол жеткізу үшін оның негізгі функциясы. Бұл индустриалды автоматтандыру және электромеханикалық жабдықтардағы «қауіпсіздіктің қауіпсіздігі» және «Action Adders» және «Әрекет командирі».
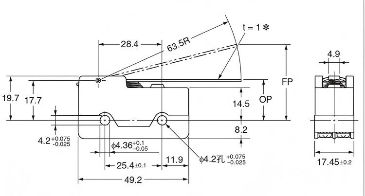
Ауыстырын қосқыш Таныстыруақтық
Саяхат қосқышы (сонымен қатар шекті қосқыш ретінде белгілі) - бұл машиналық қозғалыс арқылы автоматты басқару компоненті. Оның негізгі функциясы - бұл тіректердің ашылуы мен жабылуына, жабдықтың басталуына және жабылуына, жабдықтың басталуына және жабылуына немесе шектеулі қорғауға қол жеткізу үшін оның негізгі функциясы. Бұл индустриалды автоматтандыру және электромеханикалық жабдықтардағы «қауіпсіздіктің қауіпсіздігі» және «Action Adders» және «Әрекет командирі».
Ауыстырын қосқыш Бағдарламапион
Крандарда, лифтілерде және көтергіш платформаларда, шектеулі коммутаторлар қауіпсіздіктің маңызды компоненттері болып табылады:
Лифт білігі:Жоғарғы және төменгі шекті қосқыштар лифт білігінің жоғарғы және төменгі жағында орнатылған. Егер элеватор бақылау және асып кетуден айрылса, коммутаторлар апаттық тежегішті тарту үшін іске қосылады, бұл көліктің біліктің жоғарғы жағына (үстіңгі) немесе түбіне (үстіңгі) немесе түбіне (үстіңгі) немесе түбіне (үстіңгі) немесе түбіне (үстіңгі) немесе түбіне (үстіңгі) немесе түбіне (үстіңгі) немесе түбіне (үстіңгіден) немесе түбіне (үстің үстіне) айналуына жол бермеу үшін қосқыштар апаттық тежегішті тартуға шақырылады.
Крондық ілмек:Шектеу коммутаторы ілмектің жолының жоғарғы шекарасында орнатылған. Ілмек кран көпіріне жақындағанда, коммутатор жүк көтергіш моторға қуат алу үшін іске қосылады, осылайша жабдыққа қатысты соқтығысулар мен зақымдардан аулақ болады.
Ауыстырын қосқыш Мәлімет
