Жалпы мақсаттағы дәлдікті басқару сценарийлері үшін Юэцин Тонгда әзірлеген негізгі микро коммутатор ретінде, электронды есік құлпы тінтуірінің микро ауыстырып қосқышы сериясы «ықшам дизайн және жылдам, дәл іске қосу» айналасында орналасқан. Микро коммутаторларды өндірудегі 38 жылдық тәжірибесі бар ол сезімтал жауап беруді, ұзақ қызмет ету мерзімін және кең бейімделуді біріктіреді, бұл оны тұтынушылық электроникада, өнеркәсіптік басқаруда, смарт үй құрылғыларында және т.б. тізбекті басқарудың негізгі құрамдас бөлігі болып табылады, сенімді саяхатты анықтауды және жабдық үшін функционалды қосу/өшіру шешімдерін қамтамасыз етеді.
Микро коммутатор Кіріспе
Жалпы мақсаттағы дәлдікті басқару сценарийлері үшін Юэцин Тонгда әзірлеген негізгі микро қосқыш ретінде HK-20 сериясы «ықшам дизайн және жылдам, дәл іске қосу» айналасында орналасқан. Микро коммутаторларды өндірудегі 38 жылдық тәжірибесі бар ол сезімтал жауап беруді, ұзақ қызмет ету мерзімін және кең бейімделуді біріктіреді, бұл оны тұтынушылық электроникада, өнеркәсіптік басқаруда, смарт үй құрылғыларында және т.б. тізбекті басқарудың негізгі құрамдас бөлігі болып табылады, сенімді саяхатты анықтауды және жабдық үшін функционалды қосу/өшіру шешімдерін қамтамасыз етеді.
Патенттелген жылдам әрекет ететін жылдам іске қосу механизмін пайдалану арқылы триггерге жауап беру уақыты ≤8 мс құрайды, бұл дәстүрлі микро қосқыштармен салыстырғанда өнімділікті 25%-ға жақсартады. Триггердің қозғалысы 1,5-4Н жұмыс күшінің диапазонымен 0,3-1,0 мм аралығында дәл басқарылады. Басу арқылы кері байланыс анық және анық, жабыспай немесе еркін ойнатпай, «қосу үшін жеңіл түртуді, үзу үшін босатуды» дәл басқаруға мүмкіндік береді, триггердің жоғары сезімталдығын қажет ететін сценарийлер үшін өте қолайлы. Контактілер жоғары таза күміс-қаңылтыр қорытпасынан жасалған және бастапқы жанасу кедергісі ≤30mΩ болатын дәл нүктелік дәнекерлеу арқылы өңделеді. Номиналды жүктеме 1А/250В айнымалы ток пен 3А/125В айнымалы токты қолдайды, ток өткен кезде контактіні қыздыруды немесе жануды тиімді болдырмайды.
Портативті принтерлердің, Bluetooth гарнитураларының және смарт киілетін құрылғылардың функция түймелеріне және саяхатты анықтауға бейімделеді. Оның миниатюралық өлшемі құрылғылардың ықшам дизайнына тамаша сәйкес келеді және оның сезімтал белсендірілуі пайдаланушының жұмыс тәжірибесін жақсартады. Белгілі тұрмыстық электроника бренді қолданғаннан кейін өнімнің түймелерінің ақауларын жөндеу жылдамдығы 60%-ға төмендеді.
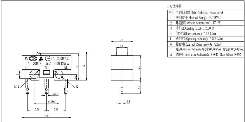
Micro Switch параметрі (спецификация)
| ITEM | Негізгі техникалық параметрлер |
| 1 | Электр қуаты: 1A/3A 250VAC |
| 2 | Электрлік қызмет ету мерзімі: Мин.10000 цикл |
| 3 | Байланыс кедергісі: <50mΩ |
| 4 | Жұмыс күші: 70±20гф |
| 5 | Бос орын: 7,3±0,2мм |
| 6 | Жұмыс орны: 7,0±0,2мм |
| 7 | Қоршаған орта температурасы: T85° |
| 8 | Төзімді кернеу: терминал мен терминал арасында 500В/5С/5мА; |
| Терминалдар мен корпус арасында 1500/5S/5mA | |
| 9 | Оқшаулау кедергісі:>100MΩ Сынақ кернеуі 500VDC |
| 10 | Дәлелдеуді бақылау индексі PTI: 175 В |
Микро коммутатор мәліметтері
