Yueqing Tongda Wire Electric Factory микро ауыстырып-қосқыштар сериясының эталондық үлгісі ретінде HK-14 микротолқынды пештің қалыпты ашық шекті анықтау қосқышы оның негізгі артықшылықтары ретінде «жоғары сезімталдық, ультра ұзақ қызмет ету мерзімі және көп сценарийге бейімділік» болып табылады. Компанияның коммутаторларды өндірудегі 35 жылдық тәжірибесін біріктіре отырып, ол өзінің минималды байланыс алшақтығы мен жылдам әрекет ету механизмінің арқасында тұрмыстық техникада, автомобиль электроникасында, өнеркәсіптік автоматтандыруда және басқа салаларда басқарудың негізгі компонентіне айналды. Оның өнімділігі мен сенімділігін дүние жүзіндегі көптеген беделді ұйымдар растап, тауашалар нарығындағы негізгі позициясын қамтамасыз етті.
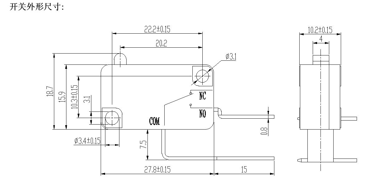
Микро коммутатор Кіріспе
Юэцин Тонгда «шикізат – өндіріс – дайын өнім» кезеңінен бастап бүкіл процесті қамтитын сапа менеджментінің кешенді жүйесін құрды. HK-14 сериясы шикізат қоймасынан дайын өнімді жөнелтуге дейін 16 негізгі сынақтан өтеді, соның ішінде контактіге төзімділік сынағы, оқшаулау өнімділігі сынағы, кернеуге төзімділік сынағы, жоғары және төмен температура циклі сынағы, ұзақ мерзімді престеу сынағы, тұз бүрку сынағы, діріл сынағы және т.б. Өнімдердің әрбір партиясы үшін 100% зауыттық өту жылдамдығын қамтамасыз ету үшін деструктивті шекті сынау үшін 3% кездейсоқ таңдалады. Компания өнімнің дәлдігі мен өнімділік тұрақтылығын қамтамасыз ету үшін 20 толық автоматтандырылған дәлдіктегі өндірістік желілермен, сондай-ақ халықаралық жетілдірілген сынақ жабдығымен (Германиядан Zeiss координаттарын өлшейтін машина және АҚШ-тан Fluke электр өнімділігін сынаушы) жабдықталған.
Әдеттегі танымал үлгілер және қолдану сценарийлері:
HK-14-1X-16A-P-200: Әдетте ашық, 16A 250VAC, металл роликті жетек штангасы — өнеркәсіптік автоматтандырудың өндірістік желілерінде қозғалыс шегін бақылау үшін жарамды, ролик дизайны механикалық тозуды азайтады
HK-14-1-16AP-715: Қалыпты жабық, 16A 250VAC, қысқа топсалы роликті жетек штангасы — медициналық сынақ жабдығында дәл іске қосуға жарамды, әдетте жабық конструкция қуат өшірілген кезде жабдықтың қауіпсіздігін қамтамасыз етеді
HK-14-16AP-605: Ауыстыру түрі, 16A 250VAC, кең температуралық дизайн — жаңа қуаттағы көлік батареяларындағы температураны бақылау қосқыштары үшін қолайлы, -40°C~125°C кең температура диапазоны экстремалды борттық орталарға сәйкес келеді.
HK-14-1X-5A-320: Әдетте ашық, 5A 250VAC, түйме түріндегі жетек штангасы — микротолқынды пеш есігінің қосқыштары үшін жарамды, жылдам басуға, жоғары деңгейдегі қауіпсіздік қорғанысы
Қолдану сценарийлері
Тұрмыстық техника: микротолқынды пештің есігін басқару, кір жуғыш машина бағдарламасын басқару, кондиционердің желдеткіш жылдамдығын реттеу, жабдықтың қауіпсіз жұмысын қамтамасыз ету
Өнеркәсіптік автоматтандыру: Өндіріс желісін орналастыру, роботты шектеуді басқару, конвейерді іске қосуды басқару, өндіріс тиімділігін 35% арттыру
Автокөлік электроникасы: автокөлік терезесін көтеру, орынды реттеу, магистральді сезу, көлік ішіндегі қатал орталарға жарамды
Медициналық құрылғылар: Хирургиялық жабдықты басқару, анықтау құралының сигналын іске қосу, медициналық деңгейдегі қауіпсіздік стандарттарына сай
Әскери өнеркәсіп: қару-жарақ жабдығын басқару, байланыс құрылғыларын ауыстыру, экстремалды жұмыс жағдайларына және жоғары сенімділік талаптарына бейімделу
Micro Switch параметрі (спецификация)
| Коммутатордың техникалық сипаттамалары: | |||
| ITEM | Техникалық параметр | Мән | |
| 1 | Электрлік рейтинг | 5(2)A/10A/16(3)A/21(8)A 250VAC | |
| 2 | Байланыс кедергісі | ≤30mΩ Бастапқы мән | |
| 3 | Оқшаулау кедергісі | ≥100MΩ (500VDC) | |
| 4 |
Диэлектрик Вольтаж |
Арасында қосылмаған терминалдар |
1000В/0,5мА/60С |
|
Терминалдар арасында және металл жақтау |
3000В/0,5мА/60С | ||
| 5 | Электрлік қызмет ету мерзімі | ≥50000 цикл | |
| 6 | Механикалық өмір | ≥1000000 цикл | |
| 7 | Жұмыс температурасы | -25~125℃ | |
| 8 | Жұмыс жиілігі |
электрлік :15 цикл Механикалық: 60 цикл |
|
| 9 | Діріл дәлелі |
Діріл жиілігі: 10~55Гц; Амплитудасы: 1,5 мм; Үш бағыт: 1H |
|
| 10 |
Дәнекерлеу қабілеті: Суға батырылған бөліктің 80% -дан астамы дәнекермен жабылуы керек |
Дәнекерлеу температурасы: 235±5℃ Суға батыру уақыты: 2~3S |
|
| 11 | Дәнекердің ыстыққа төзімділігі |
Ыстық дәнекерлеу: 260±5℃ 5±1S Қолмен дәнекерлеу: 300±5℃ 2~3S |
|
| 12 | Қауіпсіздік мақұлдаулары | UL, CSA, VDE, ENEC, TUV, CE, KC, CQC | |
| 13 | Сынақ шарттары |
Қоршаған орта температурасы: 20±5℃ Салыстырмалы ылғалдылық: 65±5% RH Ауа қысымы: 86~106KPa |
|
Micro Switch функциясы және қолданбасы
Микро коммутатор мәліметтері

