Дулы қосарлы жолмен шектелген жол жүру қосқышы - бұл механикалық қозғалыс арқылы автоматты басқару компоненті. Оның негізгі функциясы - бұл тіректердің ашылуы мен жабылуына, жабдықтың басталуына және жабылуына, жабдықтың басталуына және жабылуына немесе шектеулі қорғауға қол жеткізу үшін оның негізгі функциясы. Бұл индустриалды автоматтандыру және электромеханикалық жабдықтардағы «қауіпсіздіктің қауіпсіздігі» және «Action Adders» және «Әрекет командирі».
Ауыстырын қосқыш Таныстыруақтық
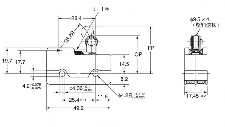
Саяхат қосқышы (сонымен қатар шекті қосқыш ретінде белгілі) - бұл машиналық қозғалыс арқылы автоматты басқару компоненті. Оның негізгі функциясы - бұл тіректердің ашылуы мен жабылуына, жабдықтың басталуына және жабылуына, жабдықтың басталуына және жабылуына немесе шектеулі қорғауға қол жеткізу үшін оның негізгі функциясы. Бұл индустриалды автоматтандыру және электромеханикалық жабдықтардағы «қауіпсіздіктің қауіпсіздігі» және «Action Adders» және «Әрекет командирі».
Ауыстырын қосқыш Бағдарламапион
Үй техникасы мен ақылды үйдегі өтініш:
Кір жуғыш машина:Алдыңғы жүктеу кір жуғыш машинаның есігіне шектеу орнатылған. Құрылғы есік толығымен жабылған кезде басталады және коммут электр тізбегін іске қосады, ол судың ағып кетуіне немесе киімнің жұмыс істеуіне жол бермейді.
Тоңазытқыш / Тұмшапеш:Тоңазытқыштың есігі жабылған кезде, коммутатор ішкі жарықты өшіру үшін тригадайды. Керісінше, егер пештің есігі мықтап жабылмаса, қосқыш жылу ағып кетпес үшін, қыздыру элементтеріне қуат түседі.
Ауыстырын қосқыш Мәлімет
