LS Жоғары сапалы шектеу инсульт коммутаторы механикалық қозғалыс арқылы іске қосылатын автоматты басқару компоненті болып табылады. Оның негізгі функциясы - бұл тіректердің ашылуы мен жабылуына, жабдықтың басталуына және жабылуына, жабдықтың басталуына және жабылуына немесе шектеулі қорғауға қол жеткізу үшін оның негізгі функциясы. Бұл индустриалды автоматтандыру және электромеханикалық жабдықтардағы «қауіпсіздіктің қауіпсіздігі» және «Action Adders» және «Әрекет командирі».
Ауыстырын қосқыш Таныстыруақтық
Саяхат қосқышы (сонымен қатар шекті қосқыш ретінде белгілі) - бұл машиналық қозғалыс арқылы автоматты басқару компоненті. Оның негізгі функциясы - бұл тіректердің ашылуы мен жабылуына, жабдықтың басталуына және жабылуына, жабдықтың басталуына және жабылуына немесе шектеулі қорғауға қол жеткізу үшін оның негізгі функциясы. Бұл индустриалды автоматтандыру және электромеханикалық жабдықтардағы «қауіпсіздіктің қауіпсіздігі» және «Action Adders» және «Әрекет командирі».
Ауыстырын қосқыш Бағдарламапион
Конвейер белдеулі жүйесі: шекті қосқыштар конвейердің бас / соңғы нүктелерінде орнатылған. Дайындамада белгіленген күйге жеткізілген кезде, коммутатор конвейерді кідіртуге ілінген, оны ұстап алу және сұрыптау әрекеттерін орындау үшін конвейерді тоқтатады.
Құрастыру желісі: олар дайындаманың дұрыс күйде екенін анықтау үшін қолданылады. Мысалы, үй құрылғыларының құрастыру желісінде, сыртқы қабық бұрандалы бұрандалы бұрандалы станцияға ауысқан кезде, коммутатор процессиялық стартаптың іске қосылуын трибутті іске қосады, технологиялық кезеңдер арасында нақты үйлестіруді қамтамасыз етеді.
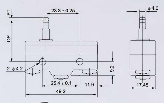
Ауыстырын қосқыш Мәлімет
