Негізгі стандарттау мен теңшеуді біріктіретін Yueqing Tongda Wire Electric фабрикасының өкілдік өнімі ретінде шырын сыққыштар шаңсорғыштар принтерлері мен басқа құрылғыларға арналған микро ажыратқыштар «тұрақтылық, сенімділік және көрініс үйлесімділігі» негізгі принциптерімен жасалған. Ол электр өнімділігін, қорғаныс деңгейлерін және пайдаланушы тәжірибесін бірнеше оңтайландыруға қол жеткізе отырып, компанияның коммутаторларды өндірудегі 35 жылдық тәжірибесін қамтиды. Коммутатор смарт үй қуатын тарату, өнеркәсіптік қосалқы жабдық және шағын медициналық құралдар сияқты сценарийлерге кеңінен қолданылады, бұл оны әмбебапты теңшеу әлеуетімен теңестіретін схеманы басқарудың таңдаулы компонентіне айналдырады.
Микро ауыстырғышКіріспе
Төмендегілер өнім сапасын бағалау үшін сатып алушылар түсінуі қажет негізгі өндіріс қадамдары:
1. Құрамдас бөліктерді өндіру: дәл өңделген металл контактілер мен серіппелер; берік қаптама (пластикалық/металл материалдар).
2. Құрастыру: өнімділікке әсер етпеу үшін серіппелерді, контактілерді және жетектерді дәл жинау.
3. Тестілеу: Сенімділікті қамтамасыз ету үшін қатаң тестілеу (мыңдаған баспасөз сынақтары, электрлік үздіксіздік сынақтары).
4. Қаптама: Жеңіл тасымалдауға арналған, техникалық сипаттамалар анық таңбаланған қорғаныш қаптама.
Микро ауыстырғышҚолданба
Микро коммутаторлар кеңінен қолданылады және өнімділікте сенімді, негізінен мына жағдайларда қолданылады:
- Тұрмыстық техника: тоңазытқыш шамдары, микротолқынды пештің есігінің құлыптары, кір жуғыш машинаның қақпақтарының қосқыштары және тостер таймерлері.
- Өнеркәсіптік жабдық: конвейер ленталарына, машиналарға және басқару панельдеріне (шаң өткізбейтін және ылғалға төзімді) жарамды ауыр салмақты үлгілер.
- Автокөлік алаңы: әйнек тазалағыштар, есікті ашу индикаторлары — діріл мен экстремалды температураға төтеп беруге қабілетті.
- Электрондық құрылғылар: қашықтан басқару пульті мен ойын контроллеріне арналған миниатюралық қосқыштар (жауап беретін және ұзақ қызмет ететін).
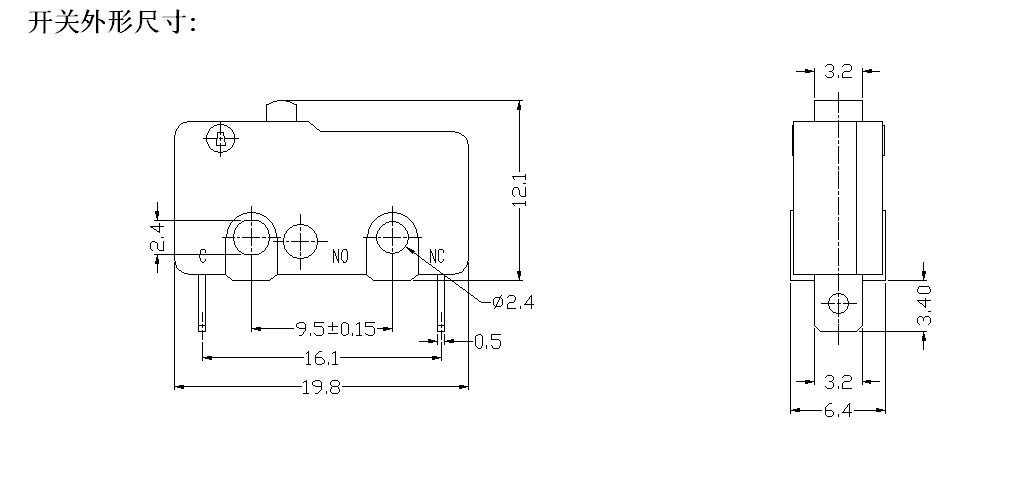
Микро ауыстырғыш Техникалық сипаттама
| Коммутатордың техникалық сипаттамалары: | |||
| ITEM | Техникалық параметр | Мән | |
| 1 | Электрлік рейтинг | 5(2)A 125V/250VAC 10(3)125V/250VAC | |
| 2 | Байланыс кедергісі | ≤50mΩ Бастапқы мән | |
| 3 | Оқшаулау кедергісі | ≥100МΩ (500VDC) | |
| 4 |
Диэлектрик Вольтаж |
Арасында қосылмаған терминалдар |
500В/0,5мА/60С |
| Терминалдар арасында және металл жақтау |
1500В/0,5мА/60С | ||
| 5 | Электрлік қызмет ету мерзімі | ≥10000 цикл | |
| 6 | Механикалық өмір | ≥100000 цикл | |
| 7 | Жұмыс температурасы | -25~125℃ | |
| 8 | Жұмыс жиілігі | Электрлік: 15 цикл Механикалық: 60 цикл |
|
| 9 | Діріл дәлелі | Діріл жиілігі: 10~55Гц; Амплитудасы: 1,5 мм; Үш бағыт: 1H |
|
| 10 | Дәнекерлеу қабілеті: Суға батырылған бөліктің 80% -дан астамы дәнекермен жабылуы керек |
Дәнекерлеу температурасы: 235±5℃ Суға батыру уақыты: 2~3S |
|
| 11 | Дәнекерлеудің ыстыққа төзімділігі | Ыстық дәнекерлеу: 260±5℃ 5±1S Қолмен дәнекерлеу: 300±5℃ 2~3S |
|
| 12 | Қауіпсіздік мақұлдаулары | UL, CSA, VDE, ENEC, CE | |
| 13 | Сынақ шарттары | Қоршаған орта температурасы: 20±5℃ Салыстырмалы ылғалдылық: 65±5% RH Ауа қысымы: 86~106KPa |
|
Тонгда сым электр Micro USB кірістірілген қуат қосқышы Мәліметтер


