Yueqing Tongda Wire Electric Factory микро ауыстырып-қосқыштар сериясының эталондық үлгісі ретінде, тоңазытқыш пен электр ойыншықтарына арналған қалыпты ашық автоматты қалпына келтіру микро ауыстырып-қосқышы оның негізгі артықшылықтары ретінде «жоғары сезімталдық, ультра ұзақ қызмет ету мерзімі және көп сценарийге бейімділік» болып табылады. Компанияның коммутаторларды өндірудегі 35 жылдық тәжірибесін біріктіре отырып, ол өзінің минималды байланыс алшақтығы мен жылдам әрекет ету механизмінің арқасында тұрмыстық техникада, автомобиль электроникасында, өнеркәсіптік автоматтандыруда және басқа салаларда басқарудың негізгі компонентіне айналды. Оның өнімділігі мен сенімділігін дүние жүзіндегі көптеген беделді ұйымдар растап, тауашалар нарығындағы негізгі позициясын қамтамасыз етті.
Микро коммутатор Кіріспе
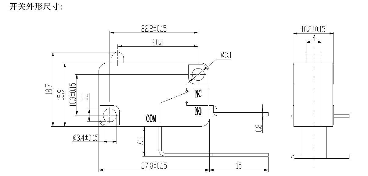
HK-14 сериясы сараланған қолданба талаптарын қанағаттандыру үшін жоғары икемді теңшеу опцияларын ұсынады. Жұмыс күшін теңшеуге болады (рычагсыз күйде 5,0 Н-ден аз, стандартты 30±15 гф), 0,6–1,5 мм жұмыс инсульт диапазоны, әр түрлі іске қосу күші мен орын ауыстыру сценарийлері үшін қолайлы. Рычагтардың стильдері реттеледі, соның ішінде әртүрлі механикалық беріліс құрылымдарына сәйкес келетін түзу, иілген және роликті рычагтар. Байланыс пішіндері SPDT (1NO 1NC), NO және NC толық ауқымын қамтиды.
Micro Switch параметрі (спецификация)
| Коммутатордың техникалық сипаттамалары: | |||
| ITEM | Техникалық параметр | Мән | |
| 1 | Электрлік рейтинг | 5(2)A/10A/16(3)A/21(8)A 250VAC | |
| 2 | Байланыс кедергісі | ≤30mΩ Бастапқы мән | |
| 3 | Оқшаулау кедергісі | ≥100MΩ (500VDC) | |
| 4 |
Диэлектрик Вольтаж |
Арасында қосылмаған терминалдар |
1000В/0,5мА/60С |
|
Терминалдар арасында және металл жақтау |
3000В/0,5мА/60С | ||
| 5 | Электрлік қызмет ету мерзімі | ≥50000 цикл | |
| 6 | Механикалық өмір | ≥1000000 цикл | |
| 7 | Жұмыс температурасы | -25~125℃ | |
| 8 | Жұмыс жиілігі |
электрлік :15 цикл Механикалық: 60 цикл |
|
| 9 | Діріл дәлелі |
Діріл жиілігі: 10~55Гц; Амплитудасы: 1,5 мм; Үш бағыт: 1H |
|
| 10 |
Дәнекерлеу қабілеті: Суға батырылған бөліктің 80% -дан астамы дәнекермен жабылуы керек |
Дәнекерлеу температурасы: 235±5℃ Суға батыру уақыты: 2~3S |
|
| 11 | Дәнекерлеудің ыстыққа төзімділігі |
Ыстық дәнекерлеу: 260±5℃ 5±1S Қолмен дәнекерлеу: 300±5℃ 2~3S |
|
| 12 | Қауіпсіздік мақұлдаулары | UL, CSA, VDE, ENEC, TUV, CE, KC, CQC | |
| 13 | Сынақ шарттары |
Қоршаған орта температурасы: 20±5℃ Салыстырмалы ылғалдылық: 65±5% RH Ауа қысымы: 86~106KPa |
|
Micro Switch функциясы және қолданбасы
Микро коммутатор мәліметтері
