Пластикалық магниттік микро қосқыш – магнит өрісі сигналдары арқылы тізбекті қосу-өшіруді басқаратын қосқыш құрылғы. Оның негізгі ерекшелігі контактісіз жұмыс болып табылады, сондықтан оның жылдам әрекет ету, ұзақ қызмет ету мерзімі және жоғары сенімділік артықшылықтары бар және өнеркәсіптік автоматтандыру, қауіпсіздік, автомобиль және смарт үй салаларында кеңінен қолданылады.
Микро коммутатор Кіріспе
Магниттік қосқыш – магнит өрісінің сигналдары арқылы тізбекті қосу-өшіруді басқаратын қосқыш құрылғы. Оның негізгі ерекшелігі контактісіз жұмыс болып табылады, сондықтан оның жылдам әрекет ету, ұзақ қызмет ету мерзімі және жоғары сенімділік артықшылықтары бар және өнеркәсіптік автоматтандыру, қауіпсіздік, автомобиль және смарт үй салаларында кеңінен қолданылады.
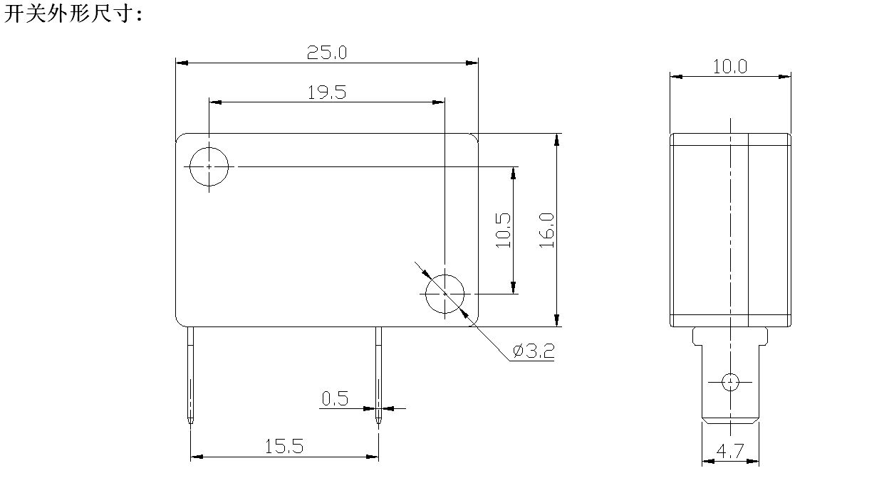
Micro Switch параметрі (спецификация)
| Коммутатордың техникалық сипаттамалары: | |||
| ITEM | Техникалық параметр | Мән | |
| 1 | Электрлік рейтинг | 5(2)A/10A/16(3)A/21(8)A 250VAC | |
| 2 | Байланыс кедергісі | ≤30mΩ Бастапқы мән | |
| 3 | Оқшаулау кедергісі | ≥100MΩ (500VDC) | |
| 4 |
Диэлектрик Вольтаж |
Арасында қосылмаған терминалдар |
1000В/0,5мА/60С |
|
Терминалдар арасында және металл жақтау |
3000В/0,5мА/60С | ||
| 5 | Электрлік қызмет ету мерзімі | ≥50000 цикл | |
| 6 | Механикалық өмір | ≥1000000 цикл | |
| 7 | Жұмыс температурасы | -25~125℃ | |
| 8 | Жұмыс жиілігі |
электрлік :15 цикл Механикалық: 60 цикл |
|
| 9 | Діріл дәлелі |
Діріл жиілігі: 10~55Гц; Амплитудасы: 1,5 мм; Үш бағыт: 1H |
|
| 10 |
Дәнекерлеу қабілеті: Суға батырылған бөліктің 80% -дан астамы дәнекермен жабылуы керек |
Дәнекерлеу температурасы: 235±5℃ Суға батыру уақыты: 2~3S |
|
| 11 | Дәнекерлеудің ыстыққа төзімділігі |
Ыстық дәнекерлеу: 260±5℃ 5±1S Қолмен дәнекерлеу: 300±5℃ 2~3S |
|
| 12 | Қауіпсіздік мақұлдаулары | UL, CSA, VDE, ENEC, TUV, CE, KC, CQC | |
| 13 | Сынақ шарттары |
Қоршаған орта температурасы: 20±5℃ Салыстырмалы ылғалдылық: 65±5% RH Ауа қысымы: 86~106KPa |
|
Micro Switch функциясы және қолданбасы
Микро коммутатор мәліметтері
