Өздігінен қалпына келтіру қысымының шегі Микро қосқышы - бұл механикалық қозғалыс арқылы іске қосылған автоматты басқару компоненті. Оның негізгі функциясы - бұл тіректердің ашылуы мен жабылуына, жабдықтың басталуына және жабылуына, жабдықтың басталуына және жабылуына немесе шектеулі қорғауға қол жеткізу үшін оның негізгі функциясы. Бұл индустриалды автоматтандыру және электромеханикалық жабдықтардағы «қауіпсіздіктің қауіпсіздігі» және «Action Adders» және «Әрекет командирі».
Ауыстырын қосқыш Таныстыруақтық
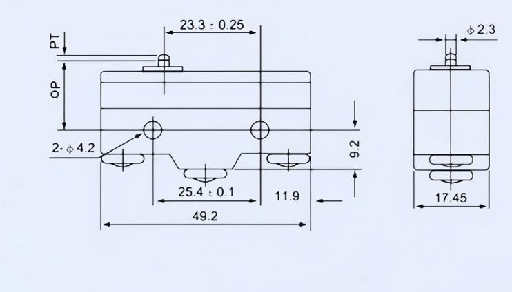
Саяхат қосқышы (сонымен қатар шекті қосқыш ретінде белгілі) - бұл машиналық қозғалыс арқылы автоматты басқару компоненті. Оның негізгі функциясы - бұл тіректердің ашылуы мен жабылуына, жабдықтың басталуына және жабылуына, жабдықтың басталуына және жабылуына немесе шектеулі қорғауға қол жеткізу үшін оның негізгі функциясы. Бұл индустриалды автоматтандыру және электромеханикалық жабдықтардағы «қауіпсіздіктің қауіпсіздігі» және «Action Adders» және «Әрекет командирі».
Ауыстырын қосқыш Бағдарламапион
Комбинаттың платформаларын көтеру механизмі комбайнның көтергіш механизмі «ең аз жұмыс биіктігін» және кескіш платформаның «ең төменгі деңгейі» және «Көлік биіктігін» белгілейтін жол жүру қосқышымен жабдықталған. Егін жинау кезінде, егер кесу платформа тым төмен болса (жерге жақын) егер тым төмен болса (жерге жақын, мүмкін топырақты сындырыңыз), коммутатор кескіш платформаны көтеру үшін гидравликалық жүйені басқаруға іске қосылады; Тасымалдау кезінде, кесу платформасы ең жоғары деңгейге көтерілгенде, коммутатор, ауысу қиғаш платформаны биіктікке құлыптауға, себу кезінде дірілдейді, себу кезінде дірілдейді. Тұқымдар таусылған кезде, коммутатор ою-өрнек операторға тұқым қосып, жіберіп алған егуді болдырмау үшін дабыл құрылғысын тригат береді.
Ауыстырын қосқыш Мәлімет
