WeiPeng®-ді көптеген жылдар бойы микро-коммутациялық шешімдермен қамтамасыз ете отырып, Қытайдағы тұрмыстық техниканы өндіруші мен жеткізушісіне арналған шағын нүктелік қосқыштар ретінде анықталды. Сізден бізден жасалған микро қосқыш сатып алуға сендіре аласыз.
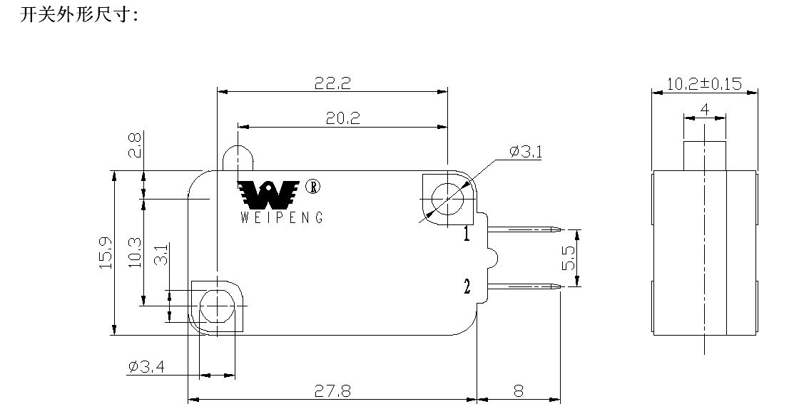
Өнімді енгізу
Өнім параметрі (сипаттамасы)
| Техникалық сипаттамаларын ауыстырыңыз: | |||
| Зат | Техникалық параметр | Бағалау | |
| 1 | Электр рейтингі | 3A 250VAC | |
| 2 | Байланыс қарсылық | ≤50mω Бастапқы мәні | |
| 3 | Оқшаулау кедергісі | ≥100mω (500VDC) | |
| 4 |
Диэлектрлік Вольтаж |
Арасында ҚОСЫМША ҰМЫТУ |
500V / 0.5ma / 60s |
| Терминалдар арасында және металл жақтау |
1500V / 0,5 / 60s | ||
| 5 | Электр өмірі | ≥10000 циклдер | |
| 6 | Механикалық өмір | ≥100000 цикл | |
| 7 | Жұмыс температурасы | 0 ~ 105 ℃ | |
| 8 | Жұмыс жиілігі | Электр: 15 цикл Механикалық: 60 цикл |
|
| 9 | Діріл дәлел | Діріл жиілігі: 10 ~ 55 гц; Амплитудасы: 1,5 мм; Үш бағыт: 1 сағат |
|
| 10 | Дәнекерлеу қабілеті: Батып бара жатқан бөлігінің 80% -дан астамы дәнекермен жабылады |
Дәнекерлеу температурасы: 235 ± 5 ℃ Батыру уақыты: 2 ~ 3 |
|
| 11 | Шынайы жылу кедергісі | Диверлендіру: 260 ± 5 ℃ 5 ± 1s Қолмен дәнекерлеу: 300 ± 5 ℃ 2 ~ 3S |
|
| 12 | Қауіпсіздік мақұлдау | Ул, CSA, VDE, ENEC, TUV, CE, KC, CCC | |
| 13 | Тест шарттары | Қоршаған орта температурасы: 20 ± 5 ℃ Ылғалдылық: 65 ± 5% RH Ауа қысымы: 86 ~ 106KPA |
|
Өнім мүмкіндігі және қосымшасы
Өнім туралы мәліметтер


